SPI-SPI/SP3D/SPPID & SPEL
Guided by a vision to shape ideas into reality, we deliver world-class engineering
design and drafting solutions in SPI, SP3D, SPPID, and SPEL, alongside AutoCAD 2D
& 3D expertise. From intricate database management to precise design modeling
and as-built documentation, we bring creativity, accuracy, and dedication together to
inspire success in every project we touch.
3D Modelling for Architecture, HVAC, Piping, Electrical, with a proper
catalogue.Exporting to Navis and required Formats.Extracting drawings from
respective softwares for MDR Submission /Construction drawings with proper Catalogue .Isometric Extraction.
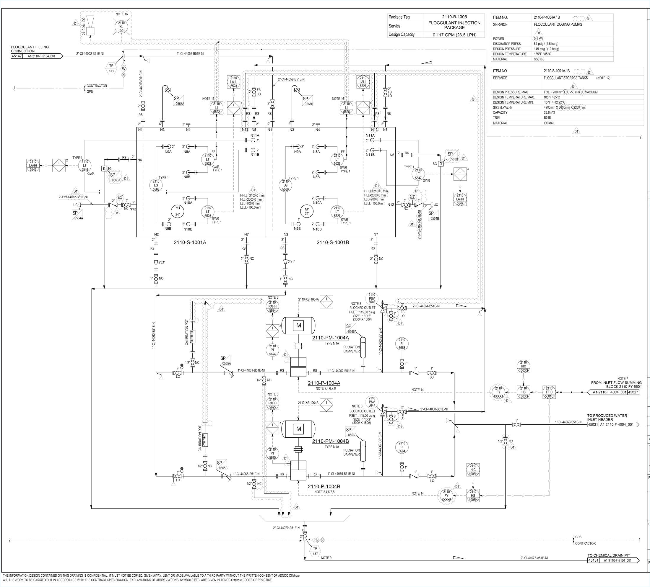
We deliver Piping & Instrumentation Diagram (P&ID) services with a vision to
transform complex process flows into clear, precise, and inspiring engineering
blueprints. Every line, symbol, and connection is crafted to not only meet industry
standards but also empower teams to design, build, and operate with confidence and
clarity.
Through AVEVA Diagrams, we bring your projects to life with intelligent, data-rich
schematics that seamlessly integrate into your engineering ecosystem. Our
approach ensures every design is a step toward safer, smarter, and more efficient
plant operations—turning technical drawings into the foundation for innovation and
success.
We provide professional drafting and documentation services for IFC (Issued for
Construction), IFA (Issued for Approval), and IDA (Issued for Design Approval)
drawings, ensuring accuracy, compliance, and clarity at every project stage. Our team
delivers precise, detailed, and regulation-compliant drawings that support smooth
coordination between designers, consultants, and contractors. From concept to final
approval, we ensure all drawings meet project specifications, industry standards, and
client requirements, enabling efficient execution and minimizing revisions.
Our Services
- Construction & Contracting
- Civil Engineering
- Geotechnical Solution
- Asphalt Works
- Fencing Services
- Dewatering System
- MEP – Construction, Contracting & Supervising
- SPI-SPI/SP3D/SPPID & SPEL
- Fabrication & Welding
- Fire Fighting & Fire Alarm System
- Electrical & Instrumentation
- Scaffolding Services
- Painting Services
- Portacabin Services
- Hydro Jetting & Chemical Cleaning
- Signages – Desinging & Installation
- Maintenance Works
- Waste Management
- Manpower Supply
- Equipment Rental
- Material Supply
- Project Support Services
- Roofing Solutions
- Inspection
- Interior